Contractor Hotline (201) 584-1080
Free Shipping Over $3,500 (exclusions may apply)
Low Price Guarantee!
Shaker Expresso ACM8: Angle Crown Molding: Assembled Kitchen Cabinets

Shaker Expresso ACM8: Angle Crown Molding: Assembled Kitchen Cabinets

# SF-SE-ACM8
Price: $100.00
Reg. $146.00
You Save 32%
WIDTH
HEIGHT
DEPTH
in.
SHELF
Description
Kabinet King Shaker Expresso Kitchen Cabinets
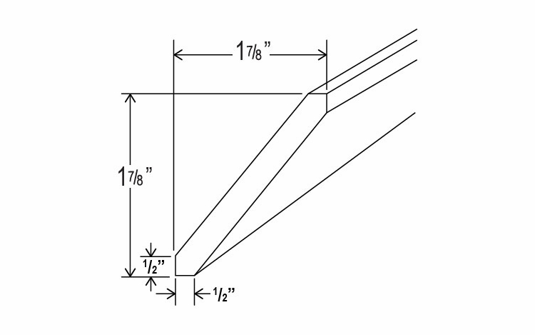
ACM8: Angle Crown Molding
• 96"L x 1-7/8"H
Assembled Kitchen Cabinets
Estimated Delivery 7-14 Business Days
Shipping
Shipping times vary depending on the product you choose. Lead times on receiving your order can be between 5-10 days depending on the product. Please call prior to placing your order if you need your purchase quickly. Upon placing an order you will be informed of delivery time prior to kabinetking finalizing and charging your order. All deliveries are by FEDEX or FREIGHT shippers and All deliveries are curbside.
Related Products