Contractor Hotline (201) 584-1080
Free Shipping Over $3,500
(exclusions may apply)
Low Price Guarantee!
Search our site
We're here to help:
(Se habla Espanol)
718.740.7800
Cart
5
Search our site
Shop By Room
Kitchen Cabinets
Deals
Displays For Sale
Showrooms
Builders
Get Quote
Online Designers
Gallery
Shoe Molding
Home
Quick Ship Kitchen Cabinets
Shaker Antique White Kitchen Cabinets
Shaker Antique White Molding
Shaker Antique White Shoe Molding
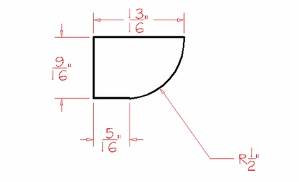
USCD Shaker Antique White SHM: Shoe Molding: RTA Kitchen Cabinet
$69.00
$27.00
Shop By Room
Kitchen Cabinets
Deals
Displays For Sale
Showrooms
Builders
Get Quote
Online Designers
Gallery
We're here to help
718.740.7800
My Account: